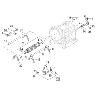
Alle Teile vom Schaltmechanismus Im 6-Gang-Getriebe, wie es bei den Dyna Modellen 2006 eingeführt und ab 2007 bei allen Dyna-, Softail-, Touring- und Trike Modellen verwendet wurden. Sofern nicht anders angegeben, werden alle Teile einzeln verkauft. Wenn Sie mehr als einen Artikel benötigen, wird dieser in Klammern angegeben, z.B. (2).
Angaben zur Produktsicherheit
Herstellerinformationen:
Eastern MC Parts
, ,
Es gibt noch keine Bewertungen.